找回密码
 立即注册
网站/小程序/APP/浏览器插件/桌面软件/脚本 定制开发·运营维护·故障修复·技术咨询
查看: 4972|回复: 10

怎么看电路图?怎么练习实物接线?家里没380的电可以练习吗?

[复制链接]
发表于 2019-8-17 08:30:22 | 显示全部楼层 |阅读模式
怎么看电路图?怎么根据电路图练习手动接线?家里没有三相电怎么练习实物接线?今天我们就这三个问题解答一下。

一,怎么看电路图
怎么看电路图?怎么练习实物接线?家里没380的电可以练习吗?-1.jpg
接触器



首先我们要认识这些常见的电气元件,比如最常见的交流接触器,知道它的组成结构,知道哪地方是主触点哪地方是辅助触点哪地方是线圈。然后再记这些电气元件在电路图里面出现的字母符号和图形符号,我们以自锁电路为例。
怎么看电路图?怎么练习实物接线?家里没380的电可以练习吗?-2.jpg
自锁



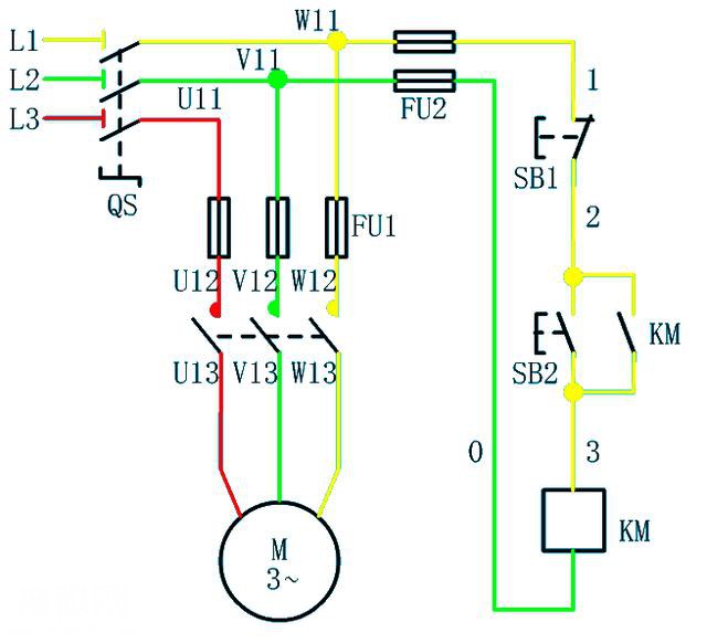
图中出现的字母符号:QS:隔离开关,FU:熔断器,SB:按钮开关,KM:交流接触器,M:电动机,U、V、W对应三个接线端,这3个点接入380伏的三相交流电。
怎么看电路图?怎么练习实物接线?家里没380的电可以练习吗?-3.jpg
图形符号



上图就属于图形符号,比如交流接触器KM,它的图形符号其实包含三部分:主触点、线圈、辅助常开常闭触点。把常见的一些电气的字母符号和图形符号记住了,电路图也就能看懂了。

二,怎么根据电路图练习手动接线?
怎么看电路图?怎么练习实物接线?家里没380的电可以练习吗?-4.jpg
异地控制



想要根据电路图练习手动接线,就要学会分析电路图,知道电流的走向。我们以多地控制电路为例,上图我标注了数字1234,1这个接点是热过载继电器的常闭点的进线端2是出线,2出线以后接停止按钮SB1的常闭点,3继续串第二个停止按钮的常闭点,4接启动按钮的常开点和接触器的辅助常开点。刚开始时最好标注一下,熟练以后就不需要了。

三,家里没有三相电怎么练习实物接线?

可以的,即使电路图里面是380伏的控制电路,我们也可以接成220伏的控制电路,接线方法都是一样的。区别就是电气的控制电压不一样,比如380的控制电路里交流接触器的线圈电压是380伏需要2条火线,那么我们在家里练习可以买线圈电压是220伏的交流接触器,接线方法一样。
{!-- PGC_COLUMN --}
怎么看电路图?怎么根据电路图练习手动接线?家里没有三相电怎么练习实物接线?今天我们就这三个问题解答一下。

一,怎么看电路图
接触器



首先我们要认识这些常见的电气元件,比如最常见的交流接触器,知道它的组成结构,知道哪地方是主触点哪地方是辅助触点哪地方是线圈。然后再记这些电气元件在电路图里面出现的字母符号和图形符号,我们以自锁电路为例。
自锁



图中出现的字母符号:QS:隔离开关,FU:熔断器,SB:按钮开关,KM:交流接触器,M:电动机,U、V、W对应三个接线端,这3个点接入380伏的三相交流电。
图形符号



上图就属于图形符号,比如交流接触器KM,它的图形符号其实包含三部分:主触点、线圈、辅助常开常闭触点。把常见的一些电气的字母符号和图形符号记住了,电路图也就能看懂了。

二,怎么根据电路图练习手动接线?
异地控制



想要根据电路图练习手动接线,就要学会分析电路图,知道电流的走向。我们以多地控制电路为例,上图我标注了数字1234,1这个接点是热过载继电器的常闭点的进线端2是出线,2出线以后接停止按钮SB1的常闭点,3继续串第二个停止按钮的常闭点,4接启动按钮的常开点和接触器的辅助常开点。刚开始时最好标注一下,熟练以后就不需要了。

三,家里没有三相电怎么练习实物接线?

可以的,即使电路图里面是380伏的控制电路,我们也可以接成220伏的控制电路,接线方法都是一样的。区别就是电气的控制电压不一样,比如380的控制电路里交流接触器的线圈电压是380伏需要2条火线,那么我们在家里练习可以买线圈电压是220伏的交流接触器,接线方法一样。




本文版权归原作者今日头条所有,如有侵权请联系管理员删除,原文地址:https://learning.snssdk.com/toutiao/v1/item_info/?item_id=6722301636632396300&app_name=news_article
回复

使用道具 举报

发表于 2019-8-17 08:30:49 | 显示全部楼层
文章中接触器的符号弄反了
回复 支持 反对

使用道具 举报

发表于 2019-8-17 08:31:31 | 显示全部楼层
转发了
回复 支持 反对

使用道具 举报

发表于 2019-8-17 08:32:14 | 显示全部楼层
转发了
回复 支持 反对

使用道具 举报

发表于 2019-8-17 08:32:46 | 显示全部楼层
转发了
回复 支持 反对

使用道具 举报

发表于 2019-8-17 08:33:04 | 显示全部楼层
转发了
回复 支持 反对

使用道具 举报

发表于 2019-8-17 08:34:03 | 显示全部楼层
转发了
回复 支持 反对

使用道具 举报

发表于 2019-8-17 08:34:23 | 显示全部楼层
转发了
回复 支持 反对

使用道具 举报

发表于 2019-8-17 08:34:34 | 显示全部楼层
转发了
回复 支持 反对

使用道具 举报

发表于 2019-8-17 08:34:58 | 显示全部楼层
转发了
回复 支持 反对

使用道具 举报

您需要登录后才可以回帖 登录 | 立即注册

本版积分规则

QQ|服务条款|版权问题|小黑屋|手机版|滇ICP备13004447号-1|滇公网安备53032802000133号|神秘网

网站地图sitemapArchiver

GMT+8, 2025-12-17 15:45 , Processed in 0.450526 second(s), 23 queries , Gzip On.

基于Discuz! X3.5

辛树所有

快速回复 返回顶部 返回列表